Skip to main content

BAF-16L | Leadermac | Moulders

  • Description

    The BAF-16L lateral chain moulder feeder designed for end-to-end feeding of strips into the moulding machine. Will accommodate material from 27”to 20′ long, 3/8” ‑3 ½” thick and from ¾” –12” wide at moulder feed speeds up to 500 ft/min. The unique direct drive feedworks allows the BAF to handle surfaced or rough material with equal ease. The enhanced PLC controls permit effective feeding of random length and resawn material with high operator efficiency.

    Feedworks:

    The unique design of the BAF feed works is distinguished by three very powerful elements:

    The driving force of the feeder is an 8 ½” diameter steel roller in the bed of the chain deck directly powered through a heavy duty Cardan-type drive shaft which allows the roller to pop up ¼” above the chain deck for lifting and positive clamping of rough, warped and wet material. A 2 hp inverter duty Sumitomo gear motor furnishes superior torque and horsepower and coupled with the intelligence and robustness of the inverter drive system provides unsurpassed capacities for demanding material. The urethane pinch roller is controlled by a laser sensor and adjustable timing device to perform the pinching and feeding action necessary to rapidly feed work pieces end-to-end. The machine comes standard with one 2” urethane roller and one 3/4″” urethane roller for narrower strips.Since the 5½” diameter urethane upper pinch roller is not driven, it enjoys a far superior life and does not dictate feed speed.
    The bridge table which links the BAF chain deck to the moulder infeed table comes standard with two 8 ½” driven steel rollers in the bed and urethane pressure rollers above. This setup allows for virtually any length of material to be fed continuously over any length of moulder infeed table. Longer lengths of bridge table with additional rollers are available upon request to suit the desired application.
    A speed adjustment knob at the operator’s panel provides easy, precise and immediate control of the feed works.

    Chain Deck:

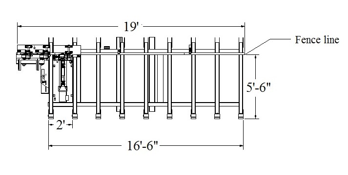
    The lateral transport chain deck surface of the BAF is approximately 5’ deep x 16′ long and has nine arms of stainless steel table-top chains running over UHMW wear strips for maintenance free operation. A one-horsepower gear motor with inverter drive provides power and speed control to the chains.

    The chain deck comes standard with our standard on-demand operation. In this mode, instead of running continuously, the chain deck of the BAF is controlled by the system’s PLC and runs only when a work piece is needed. This pulsing action of the chains holds and feeds the material on the deck in an orderly fashion while still maintaining end-to-end feeding to the moulder. It reduces side loading pressures while providing superior performance on bowed, warped and resawn material.

    The on-demand mode is further enhanced by a chain deck delay timer which allows the piece being fed to the moulder to completely clear the deck before the next piece is moved to the fence. This smooth and highly reliable feed system permits the feeding of short and random length material while eliminating the need for the operator to straighten material that has shifted on the deck allowing him to focus on proper grading and orienting of strips onto the chain deck.

Get Quote

Please provide the following information and a member of our team will be in touch with you shortly.

Sign up for updates!

Receive promotions, new product introductions, AW Market Direct releases and more from AW Machinery LLC right to your inbox.

By submitting this form, you are consenting to receive marketing emails from: AW Machinery LLC, 6161 Mt Hope Rd, Apple Creek, OH, 44606, US, http://www.awmachineryllc.com/. You can revoke your consent to receive emails at any time by using the SafeUnsubscribe® link, found at the bottom of every email. Emails are serviced by Constant Contact.